|
|
|
|
:: Home
> ÁÖ¿ä»ý»êǰ¸ñ> CONNECTOR > SWITCH CONNECTOR
|
| |
¡à SWITCH CONNECTOR |
|
1) 2Áß °áÇÕ ¹æ½ÄÀÇ SWITCH CONNECTOR·Î PLUG¿Í JACKÀ¸·Î °³¹ßµÇ¾úÀ½.
|
| |
 |
SPECIFICATION |
| |
|
|
| |
ELECTRICAL DATA
|
|
TEST REQUIREMENTS |
| |
Impedance
|
|
50¥Ø |
|
| |
Frequency range |
|
DC 3GHz Max. |
|
| |
V S W R |
|
¡Â 1.3 Max |
|
| |
Working voltage |
|
100V AC/DC |
|
| |
Insertion Loss |
|
0.5dB Max |
|
MECHANICAL DATA |
|
TEST REQUIREMENTS |
|
| |
Durability
|
|
¡Ã 5,000 Cycle |
|
ENVIRONMENTAL DATA |
|
EQUIVALENT MIL TEST CONDITIONS |
|
| |
Temperature range |
|
- 25¡É ~ +85¡É |
|
| |
 |
Material Data |
| |
|
|
| |
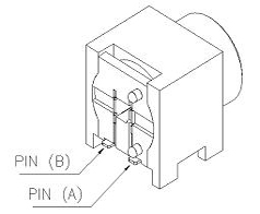
CONNECTOR
PART |
|
MATERIAL |
|
PLATING |
| |
Body | |
ZDC-2 | |
Gold |
|
| |
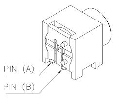
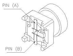
Pin (A) | |
Pbr | |
Gold |
|
| |
Pin (B) | |
Beryllium-copper | |
Gold |
|
| |
Insulator | |
PA9T | |
Black |
|
| |
Case | |
PA9T | |
Black |
|
| |
 |
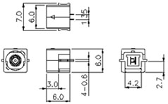
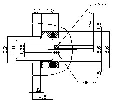
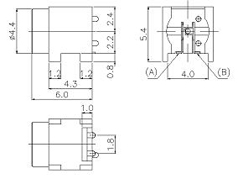
JSCF-1 : PCB MOUNTING DEVICE |
|
|
| |
|
|
|
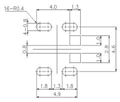
< ¿Ü Çü µµ >
|
| |
|
|
| |
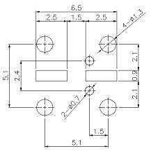
< SWITCH CIRCUIT > |
< PCB DIMENSION > |
| |
 |
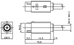
JSCF-1 : CABLE ASSEMBLY - »ç¿ë CABLE
: RG-178, RG-174, NRG032-T1 (¨ª2.0) |
|
| |
|
|
|
< ¿Ü Çü µµ >
|
| |
 |
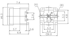
JSCF-2 : PCB MOUNTING DEVICE |
|
| |
|
|
| < ¿Ü Çü µµ > |
| |
| |
|
|
| |
< SWITCH CIRCUIT > |
< PCB DIMENSION > |
| |
 |
JSCF-2-RV : PCB MOUNTING DEVICE |
|
< REVERS TYPE - µ¿ÀÏ Çü»ó¿¡ PINÀÇ À§Ä¡°¡ ¹Ý´ë ÀÓ > |
| |
|
|
| |
| |
| |
 |
JSCF-3 : PCB MOUNTING DEVICE |
|
| |
|
|
| < ¿Ü Çü µµ > |
| |
| |
|
|
| |
< SWITCH CIRCUIT > |
< PCB DIMENSION > |
| |
| |
 |
JSCF-3-RV PCB MOUNTING DEVICE |
|
< REVERS TYPE - µ¿ÀÏ Çü»ó¿¡ PINÀÇ À§Ä¡°¡ ¹Ý´ë ÀÓ > |
| |
|
|
| |
| |
|
|