|
|
|
|
| |
:: Home
> ÁÖ¿ä»ý»êǰ¸ñ> CONNECTOR > SMb
|
| |
2. SMB CONNECTOR(SUBMINIA TURE COAXIAL CONNECTOR) |
| |
|
| |
|
SMB CONNECTOR(SUBMINIA TURE COAXIAL CONNECTOR)
ÃʼÒÇü µ¿Ãà Ä¿³ØÅÍ·Î ±¹¹æ±Ô°Ý MIL-C-39012¿¡ ÁØÇÑ´Ù.
»ó´ë¹°°ú °áÇÕÀÌ ¿ëÀÌÇÑ Snap-on coupling ÃʼÒÇü¹æ½ÄÀÌ´Ù. |
|
| |
 |
SPECIFICATION |
| |
|
|
| |
ELECTRICAL DATA
|
|
TEST REQUIREMENTS |
| |
Impedance
|
|
50¥Ø |
|
| |
Frequency range |
|
DC 4 GHz Max. |
|
| |
V S W R |
|
¡Â 1.2 |
|
| |
Dielectric withstanding voltage(at sea level)
-0.87 MM /0.034 IN
-1.5 MM/0.059 IN |
|
750 V rms, 50 Hz 1000 V rms, 50 Hz
|
|
| |
Working voltage (at sea level)
-0.87 MM /0.034 IN
-1.5 MM/0.059 IN
|
|
¡Â 250 V rms, 50 Hz
¡Â 335 V rms, 50 Hz |
|
| |
Insulation resistance |
|
¡Ã 5000 M¥Ø |
|
| |
Contact resistance
-center contact
-out contact |
|
¡Â 6.0 m¥Ø
¡Â 1.0 m¥Ø |
| |
MECHANICAL
DATA |
|
TEST REQUIREMENTS |
| |
Engagement force |
|
8 N ~ 63 N / 1.8 lbs ~ 14.2 lbs |
|
| |
Disengagement force |
|
8 N ~ 63 N / 1.8 lbs ~ 14.2 lbs |
|
| |
Contact captivation |
|
¡Ã 18 N / 4.0 lbs |
|
| |
Durability |
|
¡Ã 500 |
| |
ENVIRONMENTAL
DATA |
|
EQUIVALENT MIL TEST
CONDITIONS |
| |
Temperature range |
|
- 65¡É ~ +165¡É / -85¡Æ F ~ + 329¡Æ F |
|
| |
Thermal shock |
|
MIL-STD-202,Method 107, Condition C |
|
| |
Moisture resistance |
|
MIL-STD-202,Method 106 |
|
| |
Corrosion |
|
Saltspray test acc . to MIL-STD-202,Method 101, Condition B |
|
| |
Vibration |
|
MIL-STD-202, Method 204, Condition D |
|
| |
 |
Material Data |
| |
|
|
| |
CONNECTOR
PART |
|
MATERIAL |
|
PLATING |
| |
Bodies, pin contact
|
|
brass
|
|
Gold |
|
| |
Socket contacts
|
|
beryllium-copper, hardened
|
|
Gold |
|
| |
Crimp ferrules
|
|
Brass
|
|
Gold |
|
| |
Springs and washers
|
|
beryllium-copper, hardened
|
|
Gold |
|
| |
Insulators
|
|
PTFE
|
|
|
|
| |
Gaskets
|
|
silicone rubber
|
|
|
|
| |
 |
Straight plug |
|
|
| |
|
| ǰ
¹ø |
CABLE SPEC (XX) |
| JI0240-12XX
|
RG-178, RG-316 |
| |
RG-58, RG-405/U |
| |
RG-402/U µîµî |
|
| |
 |
Right angle plug |
|
|
| |
|
| ǰ
¹ø |
CABLE SPEC (XX) |
| JI0248-12XX
|
RG-178, RG-316 |
| |
RG-58, RG-405/U |
| |
RG-402/U µîµî |
|
| |
 |
Straight jack |
|
|
| |
|
| ǰ
¹ø |
CABLE SPEC (XX) |
| JI0241-12XX
|
RG-178, RG-316 |
| |
RG-58, RG-405/U |
| |
RG-402/U µîµî |
|
| |
 |
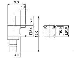
Pcb mount R/A |
|
|
| |
|
|
ǰ ¹ø |
pcb mount size
|
|
JI0257-10XX
|
º»µµ ¿Ü ´Ù¾çÇÑ ¼³°è °¡´É |
|
| |
 |
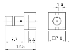
Pcb mount
|
|
|
| |
|
|
ǰ ¹ø |
pcb mount size
|
|
JI0255-10XX
|
º»µµ ¿Ü ´Ù¾çÇÑ ¼³°è °¡´É |
|
| |
 |
Pcb mount & SMD |
|
|
| |
|
|
ǰ ¹ø
|
pcb mount size
|
|
JI0258-10XX
|
º»µµ ÂüÁ¶
|
|
| |
 |
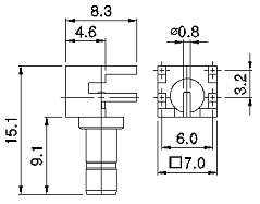
Pcb mount & Cable assembly
|
|
|
| |
|
|
ǰ ¹ø |
CABLE SPEC (XX)
pcb mount size
|
|
JI0257-12XX
|
RG-178, RG-316 µî
º»µµ ¿Ü ´Ù¾çÇÑ ¼³°è °¡´É |
|
|
|