|
|
|
|
| |
:: Home
> ÁÖ¿ä»ý»êǰ¸ñ> CONNECTOR > TNC
|
| |
|
| |
|
BNC CONNECTOR °è¿·Î Screw-on ¹æ½ÄÀ» »ç¿ëÇÑ´Ù.
¿ÜºÎ·Î µ¹ÃâµÇ¾î »ç¿ëÀÌ ¿ëÀÌÇϸç N CONNECTOR¿Í °°ÀÌ °ß°íÇÑ Ã¼°á·ÂÀ» °®´Â´Ù.
ÀÓÇÇ´ø½º´Â 50¥Ø°ú 75¥Ø ¼³°è°ú °¡´ÉÇÏ´Ù. |
|
| |
 |
SPECIFICATION |
| |
|
|
| |
ELECTRICAL
DATA
|
|
TEST REQUIREMENTS |
| |
Impedance
|
|
50¥Ø |
|
| |
Frequency range |
|
DC 11GHz Max. |
|
| |
V S W R |
|
¡Â 1.2 |
|
| |
Dielectric withstanding voltage(at sea level)
|
|
1.5 kV rms, 50 Hz |
|
| |
Working voltage (at sea level)
|
|
¡Â 500 V rms, 50 Hz |
|
| |
Insulation resistance |
|
¡Ã 5000 M¥Ø |
|
| |
Contact resistance
-center contact
-out contact |
|
¡Â 1.5 m¥Ø
¡Â 1.0 m¥Ø |
| |
MECHANICAL DATA |
|
TEST REQUIREMENTS |
| |
Coupling nut torque
-recommended
-proof torque
|
|
45 Ncm ~ 69 Ncm / 4.1 in. lbs ~ 6.1 in. lbs
170 Ncm / 15.0 in lbs |
|
| |
Coupling nut retention force
|
|
¡Ã 450 N / 101.2 in. lbs |
|
| |
Contact captivation
|
|
¡Ã 27 N / 6.1 lbs |
|
| |
Durability(matings)
|
|
¡Ã 500 |
| |
ENVIRONMENTAL DATA |
|
EQUIVALENT MIL TEST CONDITIONS |
| |
Temperature range |
|
- 65¡É ~ +165¡É / -85¡Æ F ~ + 329¡Æ F |
|
| |
Climatic category acc. To IEC
|
|
55/155/21 |
|
| |
Thermal shock
|
|
MIL-STD-202,Method 107, Condition B |
|
| |
Moisture resistance |
|
MIL-STD-202,Method 106 |
|
| |
Corrosion
|
|
Saltspray test acc . to MIL-STD-202,
Method 101, Condition B |
|
| |
Vibration |
|
MIL-STD-202, Method 204, Condition B |
|
| |
Shock |
|
MIL-STD-202, Method 213, Condition I |
|
| |
Sealing
|
|
connector with clamp type cable entry are waterproof |
|
| |
 |
Material Data |
| |
|
|
| |
CONNECTOR
PART |
|
MATERIAL |
|
PLATING |
| |
Bodies, Male Pin
|
|
brass
|
|
Nickel, Gold
|
|
| |
Female Pin |
|
beryllium-copper |
|
Gold |
|
| |
Crimp ferrules
|
|
brass
|
|
Nicke |
|
| |
Insulators
|
|
PTFE
|
|
|
|
| |
Gaskets
|
|
Silicone rubber
|
|
|
|
| |
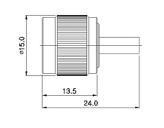
 |
Straight plug |
|
|
| |
|
| ǰ
¹ø |
CABLE SPEC (XX) |
| JI0640-12XX
|
RG-316, RG-58,
|
| |
RG-405/U, RG-402/U µîµî |
|
| |
 |
Panel Mount Plug |
|
|
| |
|
| ǰ
¹ø |
CABLE SPEC (XX) |
| JI0648-12XX
|
RG-316, RG-58,
|
| |
RG-405/U, RG-402/U µîµî |
|
| |
 |
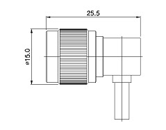
Straight Bulkhead jack |
|
|
| |
|
| ǰ
¹ø |
CABLE SPEC (XX) |
| JI0643-12XX
|
RG-316, RG-58,
|
| |
RG-405/U, RG-402/U µîµî |
|
| |
 |
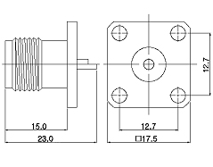
Pcb mount Jack |
|
|
| |
|
| ǰ
¹ø |
pcb mount size |
| JI0645-10XX
|
º»µµ ¿Ü ´Ù¾çÇÑ ¼³°è °¡´É |
|
|
|