|
|
|
|
| |
:: Home
> ÁÖ¿ä»ý»êǰ¸ñ> CONNECTOR > MCX
|
| |
5. MCX CONNECTOR(MICRO-MINIATURE COAXIAL CONNECTOR)
|
| |
|
| |
|
ÃʼÒÇü µ¿Ãà Ä¿³ØÅÍ·Î ±¹¹æ±Ô°Ý MIL-C-39012¿¡ ÁØÇÑ´Ù.
SMB CONNECTORÀÇ Ãà¼Ò Á¦Ç°À¸·Î °ø°£ Ȱ¿ëÀÌ Å¹¿ùÇÏ´Ù. |
|
| |
 |
SPECIFICATION |
| |
|
|
| |
ELECTRICAL
DATA
|
|
TEST REQUIREMENTS |
| |
Impedance
|
|
50¥Ø |
|
| |
Frequency range |
|
DC 6GHz Max. |
|
| |
V S W R |
|
¡Â 1.2 |
|
| |
Dielectric withstanding voltage(at sea level)
|
|
750 V rms, 50 Hz |
|
| |
Working voltage (at sea level)
|
|
¡Â 250 V rms, 50 Hz |
|
| |
Insulation resistance |
|
¡Ã 1000 M¥Ø |
|
| |
Contact resistance
-center contact
-out contact |
|
¡Â 5.0 m¥Ø
¡Â 1.0 m¥Ø |
| |
MECHANICAL DATA |
|
TEST REQUIREMENTS |
| |
Engagement force |
|
¡Â 25 N / 5.6 lbs |
|
| |
Disengagement force |
|
8 N ~ 20N / 1.8 lbs ~ 4.5 lbs |
|
| |
Contact captivation |
|
¡Ã 10 N / 2.3 lbs |
|
| |
Durability
|
|
¡Ã 500 |
| |
ENVIRONMENTAL DATA |
|
EQUIVALENT MIL TEST CONDITIONS |
| |
Temperature range |
|
- 65¡É ~ +165¡É / -85¡Æ F ~ + 329¡Æ F |
|
| |
Thermal shock |
|
MIL-STD-202,Method 107, Condition C |
|
| |
Moisture resistance |
|
MIL-STD-202,Method 106 |
|
| |
Corrosion |
|
Saltspray test acc . to MIL-STD-202,
Method 101, Condition B |
|
| |
Vibration |
|
MIL-STD-202, Method 204, Condition D |
|
| |
 |
Material Data |
| |
|
|
| |
CONNECTOR
PART |
|
MATERIAL |
|
PLATING |
| |
Bodies, pin
|
|
brass
|
|
Gold |
|
| |
Outer, Socket contacts |
|
beryllium-copper |
|
Gold |
|
| |
Crimp ferrules
|
|
brass
|
|
Gold |
|
| |
Insulators
|
|
PTFE
|
|
|
|
| |
 |
Straight plug |
|
|
| |
|
| ǰ
¹ø |
CABLE SPEC (XX) |
| JI0440-12XX
|
RG-178, RG-316 |
| |
RG-405/U µîµî |
|
| |
 |
Right angle plug |
|
|
| |
|
| ǰ
¹ø |
CABLE SPEC (XX) |
| JI0448-14XX
|
RG-178, RG-316 |
| |
RG-405/U µîµî |
|
| |
 |
Straight jack |
|
|
| |
|
| ǰ
¹ø |
CABLE SPEC (XX) |
| JI0441-12XX
|
RG-178, RG-316 |
| |
RG-405/U µîµî |
|
| |
 |
Pcb mount Jack |
|
|
| |
|
| ǰ
¹ø |
pcb mount size |
| JI0454-10XX
|
º»µµ ¿Ü ´Ù¾çÇÑ ¼³°è °¡´É |
|
| |
 |
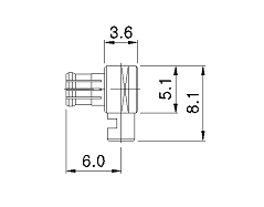
Pcb mount R/A Jack |
|
|
| |
|
| ǰ
¹ø |
pcb mount size |
| JI0457-10XX
|
º»µµ ¿Ü ´Ù¾çÇÑ ¼³°è °¡´É |
|
|
|