|
|
|
|
| |
:: Home
> ÁÖ¿ä»ý»êǰ¸ñ> CONNECTOR > MMCX CONNECTOR
|
| |
|
| |
|
ÃʼÒÇü µ¿Ãà Ä¿³ØÅÍ·Î ±¹¹æ±Ô°Ý MIL-C-39012¿¡ ÁØÇÑ´Ù.
»ó´ë¹°°ú °áÇÕÀÌ ¿ëÀÌÇÑ MCX-CONN ÃʼÒÇü¹æ½ÄÀÌ´Ù. |
|
| |
 |
SPECIFICATION |
| |
|
|
| |
ELECTRICAL DATA
|
|
TEST REQUIREMENTS |
| |
Impedance
|
|
50¥Ø |
|
| |
Frequency range |
|
DC 6GHz |
|
| |
V S W R |
|
¡Â 1.2 |
|
| |
Dielectric withstanding voltage(at sea level)
|
|
500 V rms, 50 Hz |
|
| |
Working voltage (at sea level)
|
|
¡Â 170 V rms, 50 Hz |
|
| |
Insulation resistance |
|
¡Ã 10 M¥Ø |
|
| |
Contact resistance
-center contact
-out contact |
|
¡Â 5.0 m¥Ø
¡Â 2.5 m¥Ø |
| |
MECHANICAL DATA |
|
TEST REQUIREMENTS |
| |
Engagement force |
|
¡Â 15 N / 3.4 lbs |
|
| |
Disengagement force |
|
6 N ~ 15N / 1.4 lbs ~ 3.4 lbs |
|
| |
Contact captivation |
|
¡Ã 10 N / 2.3 lbs |
|
| |
Durability(matings)
|
|
¡Ã 500 |
| |
ENVIRONMENTAL DATA |
|
EQUIVALENT MIL TEST CONDITIONS |
| |
Temperature range |
|
- 55¡É ~ +155¡É / -67¡Æ F ~ + 311¡Æ F |
|
| |
Thermal shock |
|
MIL-STD-202,Method 107, Condition F |
|
| |
Moisture resistance |
|
MIL-STD-202,Method 106 |
|
| |
Corrosion |
|
Saltspray test acc . to MIL-STD-202,
Method 101, Condition B |
|
| |
Vibration |
|
MIL-STD-202, Method 204, Condition C |
|
| |
 |
Material Data |
| |
|
|
| |
CONNECTOR
PART |
|
MATERIAL |
|
PLATING |
| |
Bodies
|
|
brass
|
|
Gold |
|
| |
Centre contact,
Spring ring
|
|
beryllium-copper
|
|
Gold |
|
| |
Insulators
|
|
PTFE
|
|
|
|
| |
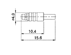
 |
Straight plug |
|
|
| |
|
| ǰ
¹ø |
CABLE SPEC (XX) |
| JI0540-12XX
|
RG-178, RG-316 |
| |
RG-405/U,RG-402/U µîµî |
|
| |
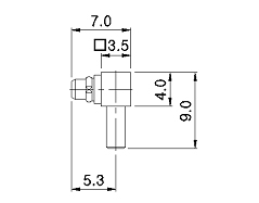
 |
Right angle plug |
|
|
| |
|
| ǰ
¹ø |
CABLE SPEC (XX) |
| JI0548-12XX
|
RG-178, RG-316 |
| |
RG-405/U,RG-402/U µîµî |
|
| |
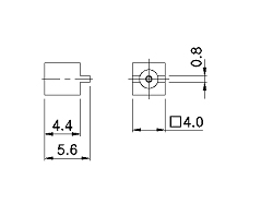
 |
Pcb mount |
|
|
| |
|
| ǰ
¹ø |
CABLE SPEC (XX) |
| JI0555-12XX
|
º»µµ ¿Ü ´Ù¾çÇÑ ¼³°è °¡´É |
|
|
|